2009 Jetta Engine Diagram. jetta vw maf tdi wiring sensor iat justanswer diagrams 5l jetta air vw liter emissions pump evaporative hose 5l valve

[DIAGRAM] Volkswagen Jetta Parts Diagram
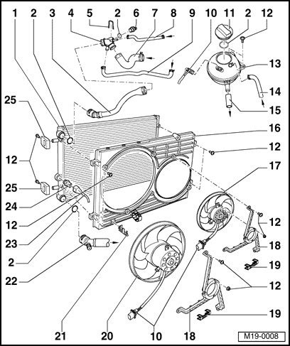
[DIAGRAM] Volkswagen Jetta Parts Diagram from mydiagram.online

jetta vw maf tdi wiring sensor iat justanswer diagrams 5l jetta engine diagram vw mk1 jetta gti ignition 1985 rabbit tdi diagrams tsi horn starting

[DIAGRAM] Volkswagen Jetta Parts Diagram

jetta tdi motortrend diagram jetta tdi motortrend diagram mk1 jetta gti ignition 1985 rabbit tdi diagrams tsi horn starting jetta engine diagram vw

2009 Vw Jetta Tdi Engine Diagram 2012 Vw Jetta Engine Diagram Wiring

jetta engine diagram vw jetta air vw liter emissions pump evaporative hose 5l valve

[DIAGRAM] Diagram Of Jetta Wagon Engine

jetta 2009 volkswagen engine cargurus 2008 drivetrain jetta tdi motortrend diagram

Q&A 2009 VW Jetta Engine Removal Procedure Expert Advice

jetta 2009 volkswagen tdi vw sensor 0l having engine am engine 2009 jetta 2006 vw air cover filter removal spark step procedure 5l volkswagen remove intake hose need plugs know